Published:2011/6/15 8:11:00 Author:TaoXi | Keyword: 555, ten notes, continuous playing | From:SeekIC

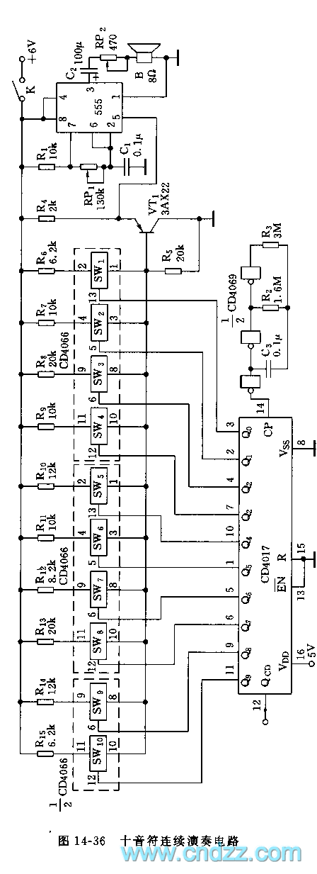
As the figure 14-36 shows,the frequency controllable multivibrator is composed of the 555 time-base circuit and some capacitance resistance components. The control port pin-5 of 555 is connected with the output port of the launch follower VT1, and the VT1 is controlled by the time sequence switching circuit to make the 555 to produce the ten notes of 6 1 3 1 2 1 7 3 2 6.
The oscillator which has the period of 0.6s is composed of the CMOS six phase-inverter CD4069 and three gate circuits, the notes add to the time sequence distributor which is composed of the decimal counter CD4017 to make the 10 output ports of it controls the four two-way switch circuit CD4066 respectively, and these switches turn on one by one and it adds to the base electrode of the emitter-follower VT1.
Reprinted Url Of This Article:
http://www.seekic.com/circuit_diagram/Signal_Processing/555_ten_notes_continuous_playing_circuit.html
Print this Page | Comments | Reading(3)
Code: