Published:2011/6/21 3:54:00 Author:Joyce | Keyword: 56~484, High Frequency , Oscillator | From:SeekIC


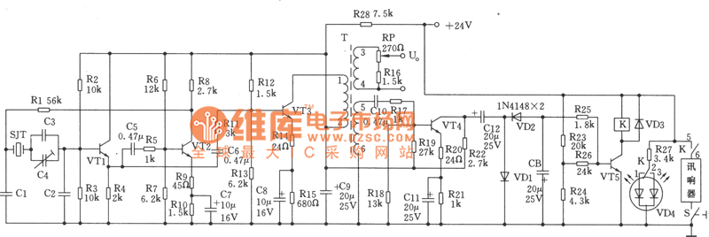
As shown in the figure is a high frequency oscillator, which can be used as an exclusive high frequency generator. Different values of capacitance will produce a high frequency sine wave in the range between 56 to 484 kHz. This circuit has the characteristics of good waveform, high frequency stability, and low output impedance and so on.
Choice of components:
Transistor VT1, VT2: 3 DG6D, 65≤β≤115, VT3、 VT4:3 DG 1308, 60≤β≤85. Semi-adjustable capacitors C4: CCWX-3-5/20 pF. Quartz crystal SJT: BE-42. K: JZX-10 M (miniature relay). Light emitting diode VD4: BT-605 (red, green). Transformer T: MXD-2000 ferrite, GV- 30x 19magnetic core.DLL-2. Φ 0.21 mm high strength enameled wire, rolled in 133 turns, L3-4 Φ0.21 mm high strength enameled wire rolled in 11 turns , L5-6 Φ0.21 mm high strength enameled wire, rolled in 80 turns. Except resistance R27 which adopts l/2WRJ , all the other resistance use 1/8 WRJ.
The relationship between the frequency and capacitance values are shown in the following figure.
Reprinted Url Of This Article:
http://www.seekic.com/circuit_diagram/Signal_Processing/56~484_High_Frequency_Oscillator_Circuit.html
Print this Page | Comments | Reading(3)
Code: