Published:2011/7/17 23:02:00 Author:zj | Keyword: FM demodulator | From:SeekIC

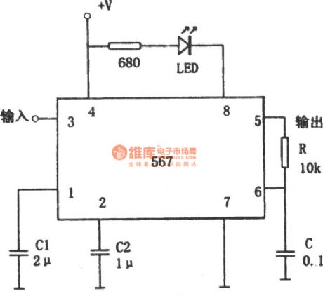
As shown in Figure it is 567 FM demodulation circuit. In the figue, the FM signalenters from the 3 foot, the demodulated signal goes out from 5 foot. FM signal center frequency which the circuit can demodulateis: fo = 1.1 / RC, C1 isfilter capacitor, and C2 is bandwidth adjustment capacitor. WhenC2 decreases, the demodulator demodulating bandwidth increases. The circuitalso hasdemodulation circuit. When the demodulation is correct, 8 footoutput level is low. The indicating lamp, indicator light, also can be removed and used as control signals.
Reprinted Url Of This Article:
http://www.seekic.com/circuit_diagram/Signal_Processing/567_FM_demodulator.html
Print this Page | Comments | Reading(3)
Code: