Published:2009/7/24 3:04:00 Author:Jessie | From:SeekIC

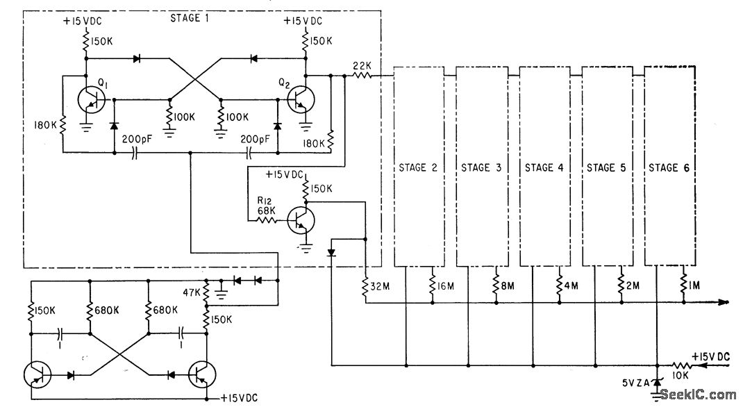
R-C dock, six binary counters, and summing network give repetitive staircase waveform having 64 equally spaced potential steps between and including minimum and maximum voltages. Free-running astable mvbr (lower left) generates 40-cps dock signal. Transistors can be 2N697.-E. E. Eberhard, Latest Thin-Film Circuit Techniques, Electronics, 35:24, p 37-39.
Reprinted Url Of This Article:
http://www.seekic.com/circuit_diagram/Signal_Processing/64_STEPS.html
Print this Page | Comments | Reading(3)
Code: