Published:2009/7/20 19:57:00 Author:Jessie | From:SeekIC

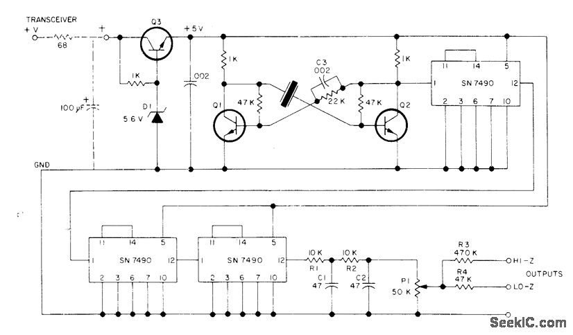
Output of 65-240 kHz crystal oscillator is divided by 1000 in three SN7490s to give 65-240 Hz tone required for access to amateur FM repeater. Choose crystal to give exactly desired frequency Q1 and Q2 are MPS6513, and Q3 is 2N1613. Supply can be 9 to 15 VDC from transceiver or from 9-V battery.-P. H. Wiese, Rock Solid Subaudible Tone Generator, 73 Magazine, April 1974, p 79-81.
Reprinted Url Of This Article:
http://www.seekic.com/circuit_diagram/Signal_Processing/65_240_Hz.html
Print this Page | Comments | Reading(3)
Code: