Published:2009/7/21 5:00:00 Author:Jessie | From:SeekIC

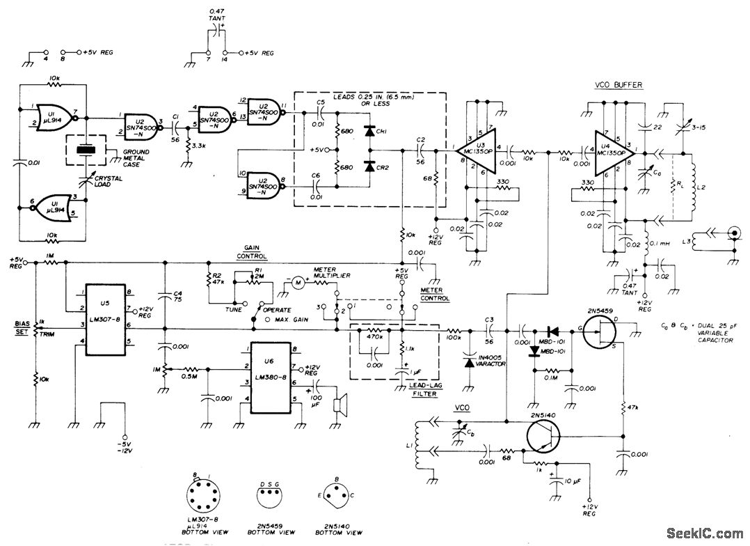
Phase locked loop is used with short-duration pulses from 1-MHz crystal reference oscillator to produce highly accurate harmonics SN74S00N Schottky U2 changes reference wave form to harmonic-rich 100-ns pulses for feed to 1N914 phase-detector diodes CR1 and CR2 Buffer U3 delivers output of 2N5140 VCO to diodes for phase compalison and phase-frequency output is fed to opamp U5 that locks VCO more tightly to reference-oscillator output by increasing its control of varactor, VCO frequency will then be harmoic of reference oscillator Meter used to monitor control voltage to varactor can have full-scale value of 100μA to 1mA, with its multiplier resistor adjusted to read 5 V at midscale.When opamp is capturing VCO, meter needle will flop from side to side but will return to midscale after lock is achieved. Article covers construction, tuning, and operation.-K. W. Robbins and J. R. True, Crystal-Controlled Harmonic Generator, Ham Radio, Nov. 1977, p 66-69.
Reprinted Url Of This Article:
http://www.seekic.com/circuit_diagram/Signal_Processing/6_36_MHz_HARMONIC_GENERATOR.html
Print this Page | Comments | Reading(3)
Code: