Published:2013/6/21 2:38:00 Author:muriel | Keyword: 6 Aspect, Searchlight Signal, Simple Funtions | From:SeekIC

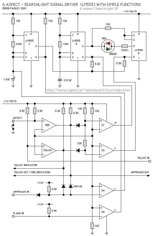
The diagram shows the same circuit but with comparator inputs in place of the switches. This circuit provides the basic functions as the Simple Signals circuits that appear on this site. The Flash function is not yet implemented.
Two outputs have been added to the circuit that could be used as part of the Flash logic. These are the YELLOW INDICATION and RED INDICATION .
Approach lighting is the default for this circuit and is disabled by grounding the 'Approach Input' terminal.
The Flash funtion is activated by grounding the 'Flash Input' terminal.
Reprinted Url Of This Article:
http://www.seekic.com/circuit_diagram/Signal_Processing/6_Aspect___Searchlight_Signal_With_Simple_Funtions.html
Print this Page | Comments | Reading(3)
Code: