Published:2009/7/16 2:27:00 Author:Jessie | From:SeekIC

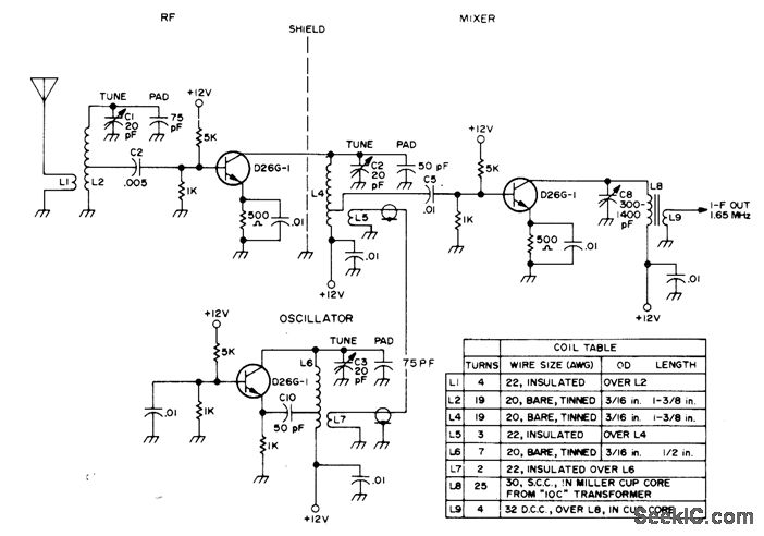
Developed for use as converter with any communication receiver having 1.65-MHz IF. Article covers construction and tune-up. Use of GE microtransistors permits miniaturization.-B. Hoisington, A Real Hot Front End for Six, 73 Magazine, Nov. 1974, p 88-90 and 92-94.
Reprinted Url Of This Article:
http://www.seekic.com/circuit_diagram/Signal_Processing/6_METER_FRONT_END.html
Print this Page | Comments | Reading(3)
Code: