Published:2009/7/20 23:03:00 Author:Jessie | From:SeekIC

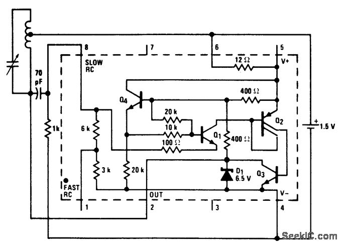
800 kHz experimental BF oscillator using an LM3909 chip. Circuitry inside the dashed lines is the LM3909. The external coil is a standard broadcast loopstick. The variable capacitor is 360 pF (courtesy National Semiconductor Corporation).
Reprinted Url Of This Article:
http://www.seekic.com/circuit_diagram/Signal_Processing/800_kHz_experimental_BF_oscillator_using_an_LM3909_chip.html
Print this Page | Comments | Reading(3)
Code: