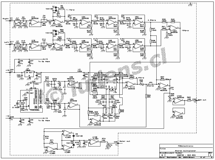
Published:2013/5/9 21:25:00 Author:muriel | Keyword: 80 Watt, FM , stereo broadcast transmitter | From:SeekIC

Reprinted Url Of This Article:
http://www.seekic.com/circuit_diagram/Signal_Processing/80_Watt_FM_stereo_broadcast_transmitter.html
Print this Page | Comments | Reading(3)
Code: