© 2008-2012 SeekIC.com Corp.All Rights Reserved.
Published:2013/7/24 20:45:00 Author:muriel | Keyword: 8 Line, Intercommunication, 89c51 | From:SeekIC




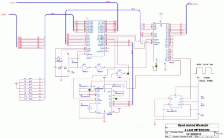
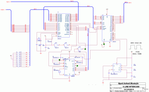
Private branch exchangeThis project is aimed to make the low cost intercom system by which eight telephone lines can be interfaced with this hardware.
Main card:In this card there is 89c51 micro controller is used. Micro controller is controller the DTMF encoder MT8870 and the Analog switch MT8816.
SLIC card:In this card there is constant current source is used to activate the telephone. The lm339 is used to detect the hand off and hand on condition. There is same circuit are repeated because we have to interface the 8 telephone.
Summary:When the telephone is hand on the output of the lm339 change, it is detected by micro controller that the telephone is hand on, then micro controller is make the analog channel by using the MT8816. the LM555 is used to generate the dial tone.
Reprinted Url Of This Article:
http://www.seekic.com/circuit_diagram/Signal_Processing/8_Line_Intercommunication_using_89c51.html
Print this Page | Comments | Reading(3)
Response in 12 hours
© 2008-2012 SeekIC.com Corp.All Rights Reserved.
Code: