Published:2009/7/21 7:25:00 Author:Jessie | From:SeekIC

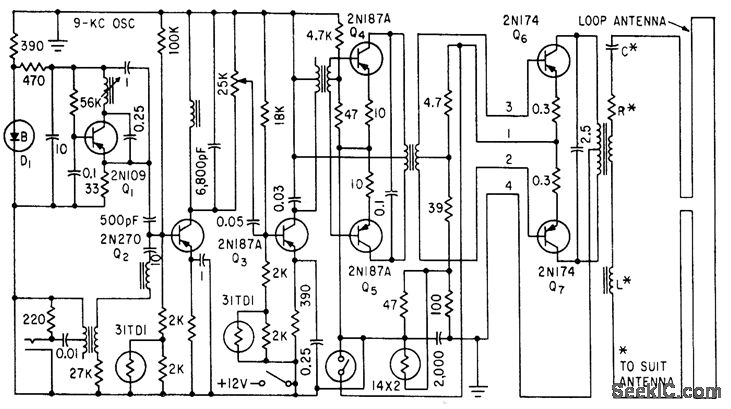
Insures 24 w output over temperature range of -20 to +120°F. Zener diode voltage-regulating circuit prevents changes in collector supply voltage of oscillator Q1. Base-driven modulator Q2 may be fed from tape repeater preamp, microphone, or master control center serving induction radio system using roadside telephone-line loops.-E. A. Hanysz, J. E. Stevens, and A. Meduvsky, Communication System for Highway Traffic Control, Electronics, 33:42, p 81-83.
Reprinted Url Of This Article:
http://www.seekic.com/circuit_diagram/Signal_Processing/9_KC_OSCILLATOR_STABILIZER.html
Print this Page | Comments | Reading(3)
Code: