Published:2009/7/21 2:37:00 Author:Jessie | From:SeekIC



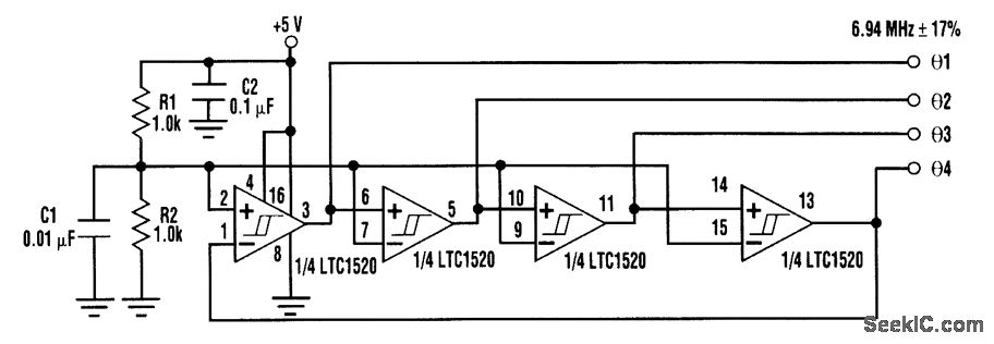
Four square-wave outputs can be produced with a single IC using this simple circuit setup. It takes advantage of the tightly controlled propagation delay of the LTC1520 quad line receiver to pro-duce a stable set of output waveforms. The circuit as shown uses all four comparator stages to de-liver quadrature output waveforms (90° phase increments). Because tPLH/tPLH skew (the difference between low-to-high and high-to-low propagation delays) is typically only 500 ps, the waveforms have duty factors that are very close to 50 percent. Channel-to-channel skew is usually only 400 ps, holding phase error between outputs to around 5°. An eight-phase oscillator (with 45° phase incre-ments) can be constructed by inverting φ 1 to φ (4 through another four LTC1520 comparators. It is also possible to build two-phase and three-phase ring oscillators by using two- and three-comparator sections, respectively. Just be sure that an odd number of inversions are around the loop, otherwise, the oscillator becomes a latch! Each LTC1520 input has a Thevenin input resistance of ±18 kΩ to 2/3 Vcc For a more accurate 50-percent duty factor, the dc threshold should be biased closer to 1/2 Vcc. This is easily done by connecting an external resistor divider to pull the switching threshold near 1/2 Vcc as is done with R1 and R2 in this figure. The measured temperature stability of the depicted oscillator is very good, normally varying less than 5 percent from 0° to 70℃ .
Reprinted Url Of This Article:
http://www.seekic.com/circuit_diagram/Signal_Processing/ACCURATE_RING_OSCILLATOR.html
Print this Page | Comments | Reading(3)
Code: