Published:2009/7/16 0:55:00 Author:Jessie | From:SeekIC

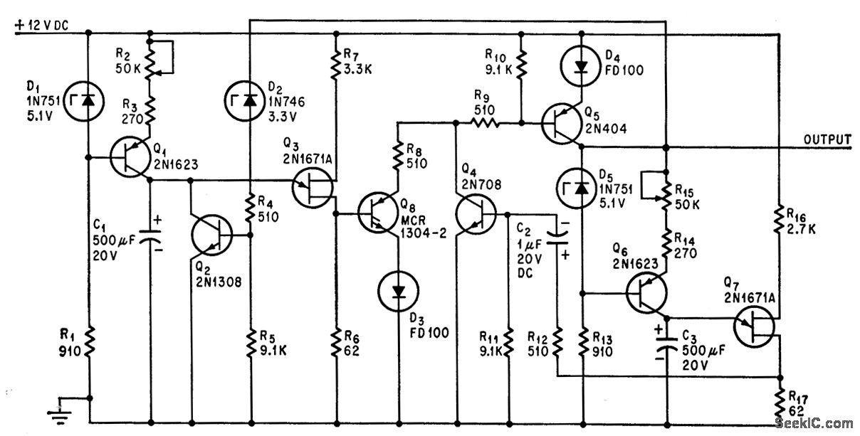
R2 varies off time from 0.25 to 40 sec, while R15 provides variation of over 100 to 1 in ratio of on time to off time. Pulse width and inferpulse time con thus be adjusted independently.-A. A Dargis, On and Off Time Adjusted Independently, Electronics, 37:31, p 50-51.
Reprinted Url Of This Article:
http://www.seekic.com/circuit_diagram/Signal_Processing/ADJUSTABLE_DUTY_CYCLE.html
Print this Page | Comments | Reading(3)
Code: