Published:2009/7/21 20:31:00 Author:Jessie | From:SeekIC

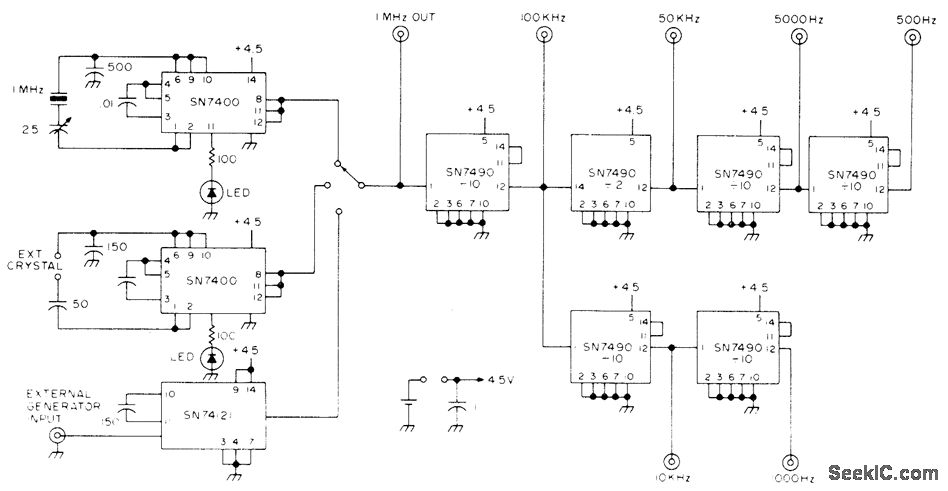
String of SN7490 decade counters divides output of 1-MHz crystal oscillator by 10 or 2 to give choice of six fixed frequencies between 1000 Hz and 100 kHz along with undivided 1 MHz. 0ne gate of SN7400 crystal oscillator drives LED to indicate that crystal is oscillating, When using external sine-wave source, input is squared by SN74121 MVBR for driving frequency divider chain. Circuit is easily modified to give other divider ratios. Applications include use as marker generator for receiver calibration up into VHF range or as signal generator for precise AF or PF square-wave signal at desired frequencies,-J,J Schultz, Poor Man's Universal Frequency Generator,73 Magazine, July 1974.p33 and 35-36.
Reprinted Url Of This Article:
http://www.seekic.com/circuit_diagram/Signal_Processing/AF_RF_FROM_1_MHz.html
Print this Page | Comments | Reading(3)
Code: