Published:2009/6/24 3:48:00 Author:Jessie | From:SeekIC

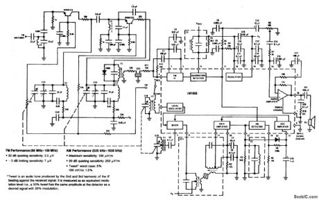
This circuit shows the LM1868 as a complete AM radio and FM IF section. An extemal FM front end is used for the 88- to 108-MHz band. Audio output is 0.5 W and either 9-V battery or line operated supply can be used.
Reprinted Url Of This Article:
http://www.seekic.com/circuit_diagram/Signal_Processing/AM_FM_RECEIVER_CIRCUIT.html
Print this Page | Comments | Reading(3)
Code: