Published:2009/7/20 2:19:00 Author:Jessie | From:SeekIC

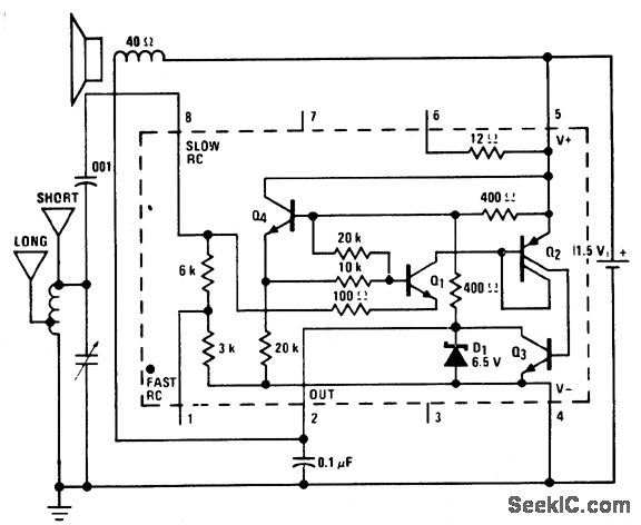
AM broadcast receiver using an LM3909 chip. The LM3909 acts as a detector amplifier. It does not oscillate because there is no positive feedback. The receiver is only good for local stations and sensitivity is similar to a crystal set. It will drive a 6-inch loudspeaker. The antenna can be the short version shown, which is 10 to 20 feet long, or the long version, which is 30 to 100 feet. The long one works better (courtesy National Semiconductor Corporation).
Reprinted Url Of This Article:
http://www.seekic.com/circuit_diagram/Signal_Processing/AM_broadcast_receiver_using_an_LM3909_chip.html
Print this Page | Comments | Reading(3)
Code: