Published:2009/7/19 23:35:00 Author:Jessie | From:SeekIC

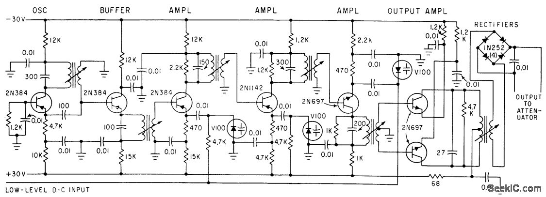
Varactor diode in pump feed line feeds so-called magnifies d-c amplifier that in turn drives ferrite variable attenuator, to hold troposcatter receiver signal level constant over entire klystron mode.-W.L. Smott and H. C. Leahy, Parametric Amplifier Improves Tropo-Scatter System, Electronics, 35:9, p 38-40.
Reprinted Url Of This Article:
http://www.seekic.com/circuit_diagram/Signal_Processing/AUTOMATIC_LEVEL_CONTROL_FOR_PARAMETRIC_MAPLIFIER.html
Print this Page | Comments | Reading(3)
Code: