Published:2013/12/9 20:54:00 Author:lynne | Keyword: Alto air conditioning circuit diagram, | From:SeekIC

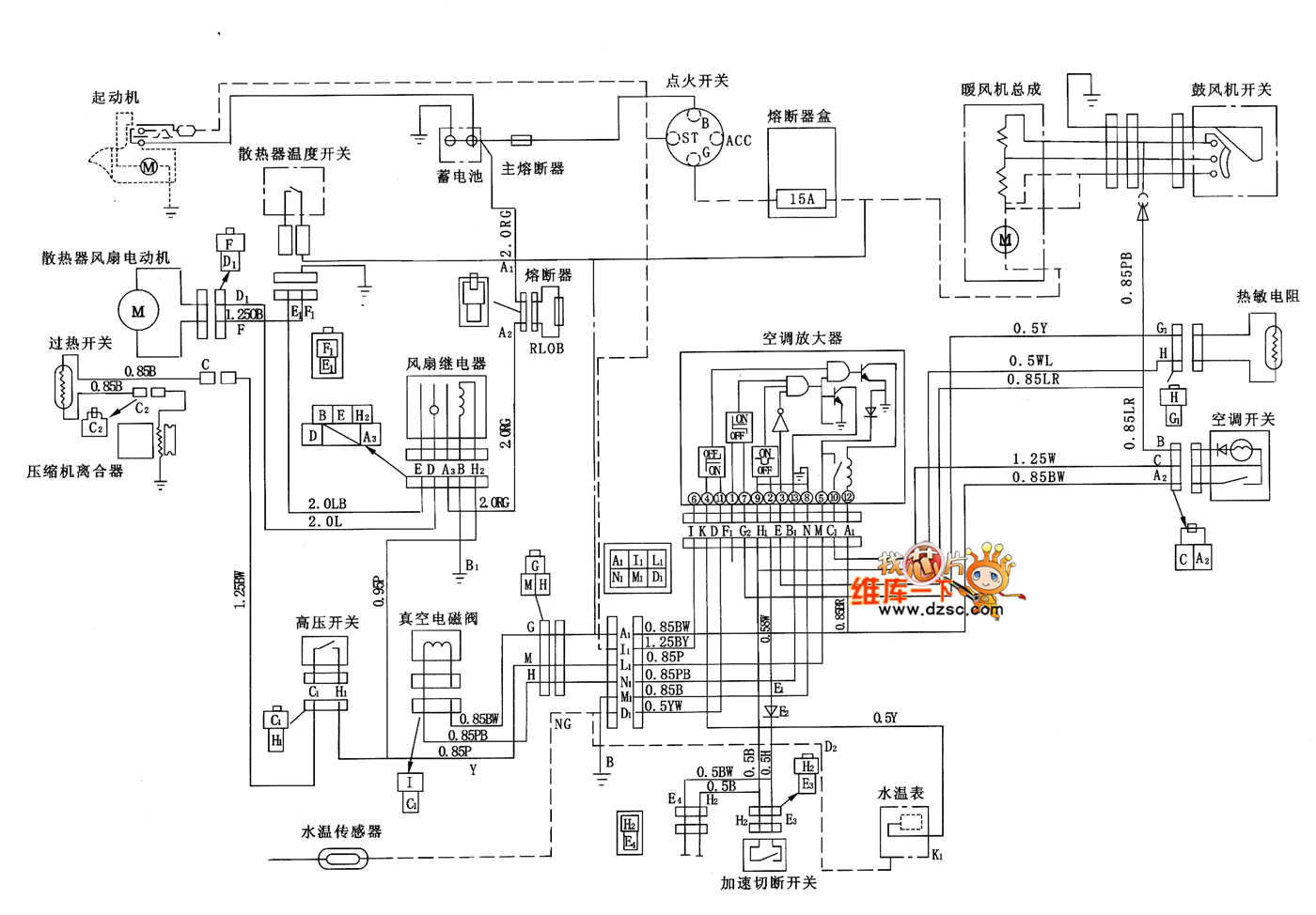
Alto air conditioning circuit diagram is shown below:
Reprinted Url Of This Article:
http://www.seekic.com/circuit_diagram/Signal_Processing/Alto_air_conditioning_circuit_diagram.html
Print this Page | Comments | Reading(3)
Code: