Published:2011/5/30 2:26:00 Author:Christina | Keyword: Angell, water dispenser | From:SeekIC

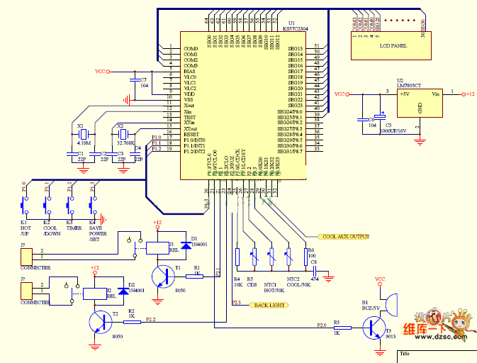
The Angell water dispenser circuit is as shown:
Reprinted Url Of This Article:
http://www.seekic.com/circuit_diagram/Signal_Processing/Angell_water_dispenser_circuit.html
Print this Page | Comments | Reading(3)
Code: