Published:2011/5/25 4:08:00 Author:Joyce | Keyword: Application Circuit of MAX1848 | From:SeekIC

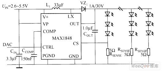
In applications requiring higher power, MAX1848 drive which is based on inductance can be used. MAX1848`s external circuit needs only a few components ,and the conversion efficiency can reach 88% if the output power is 800mW. MAXI848 integrates boost converter and current control circuit in 6 pins 50723 encapsulation.With electric current detection,it drives three groups of white light LED,andeach group includes 3 white light LED connected in parallel as shown in figure. The input voltage range of MAX1848 is 2.6 ~ 5.5 V. MAX1848 uses voltage feedback to adjust the current flowing through the white light LEDs, and smaller current detection resistance (5 Ω) helps to save power and keep high conversion efficiency. In the typical application circuit of MAX1848,the device parameters are: L1 = 33μH, CCOMP = 150nF, COUT = 1.0μF, RSENSE = 5Ω. The current of white light LED is decided by the control voltage: IOUT = UCTRL/( 18.33 xRSENSE).
The luminance of the white light LED can be regulated by DAC of CTRL pins or potentiometer bleeder circuit. And the controllable scope of voltage is + 250mV ~ + 5.5 V. To grounding the control pins shutoff the circuit.
Reprinted Url Of This Article:
http://www.seekic.com/circuit_diagram/Signal_Processing/Application_Circuit_of_MAX1848.html
Print this Page | Comments | Reading(3)
Code: