Published:2009/7/14 8:36:00 Author:May | From:SeekIC

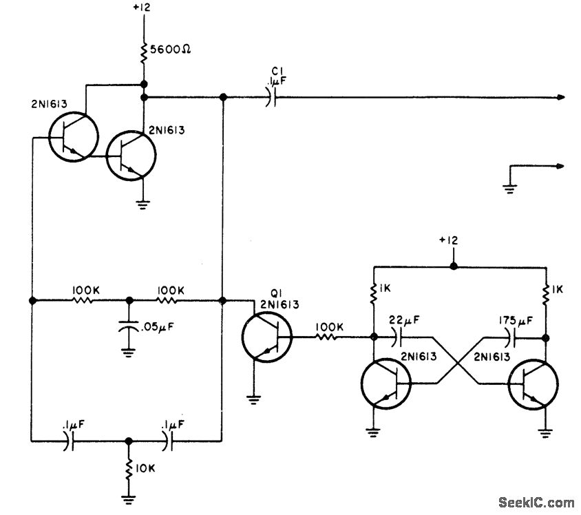
Conventional Bell System busy signal is provided by turning twin-T oscillator at left on and off with low-frequency asymmetrical square wave generated by transistor pair at right. Q1 acts as switch for turning oscillator on and off. Developed for use at repeater in home when autopatch connects to family telephone, to inhibit use of autopatch by mobile station when phone is in use. Article also covers connections to phone line and to repeater.-T. Yocom, An Autopatch Busy Signal, 73 Magazine, Holiday issue 1976, p 148 and 150.
Reprinted Url Of This Article:
http://www.seekic.com/circuit_diagram/Signal_Processing/BUSY_SIGNAL_GEN_ERATOR.html
Print this Page | Comments | Reading(3)
Code: