Published:2009/7/22 0:49:00 Author:Jessie | From:SeekIC

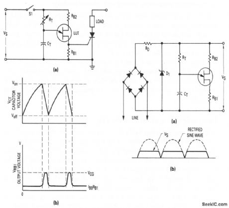
This figure shows the circuit and corresponding waveforms for a unijunction transistor oscillator (Fig. 5-41). When Vs is pure dc, the oscillator is free-running and RT/CT determine the frequency of oscillation. Figure 9-1B shows the basic relaxation oscillator, whore the output pulses are synchronized to the line-voltage zero-crossing points. Typical values (for a UJT with a base-to-base voltage of 4 to 9 V) are:RB1=40 to 100 Ω, RB2 1 kΩ, CT=0.1μF, RT= 100 kΩ.
Reprinted Url Of This Article:
http://www.seekic.com/circuit_diagram/Signal_Processing/Basic_UJT_relaxation_oscillator.html
Print this Page | Comments | Reading(3)
Code: