Published:2009/7/23 21:50:00 Author:Jessie | From:SeekIC

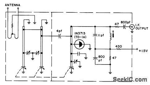
Uses self-oscillating tunnel-diode converter circuit.- Transistor Manual, Seventh Edition, General Electric Co., 1964, p 359.
Reprinted Url Of This Article:
http://www.seekic.com/circuit_diagram/Signal_Processing/CAPACITIVELY_TUNED_TUNNEL_DIODE_TUNER_.html
Print this Page | Comments | Reading(3)
Code: