Published:2009/7/20 23:36:00 Author:Jessie | From:SeekIC

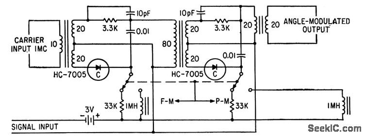
Gives lwice the modulation index for a particular signal, or 50' for the two sections.-A. C. Todd, P.Schuck, and H. M. Sachs, Using Voltcrge-Var-iable Capodtors in Modukttor Design, Elec-tronics, 34;3, p 56-59.
Reprinted Url Of This Article:
http://www.seekic.com/circuit_diagram/Signal_Processing/CASCADE_ANGLE_MODULATOR.html
Print this Page | Comments | Reading(3)
Code: