Published:2009/7/17 4:29:00 Author:Jessie | From:SeekIC

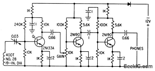
Pickup loop feeds low-noise transistor Q1, followed by twostage audio amplifier. Since low-frequency magnetic field (2 kc) is attenuated very little by rock, soil, or water, strength of received signal from transmitter in cave being mapped can be measured. When system is calibrated for distance on surface, depth can be measured.-E. R. Roeschlein, Mapping Caves Magnetically, Electronics, 33:39, p 61.
Reprinted Url Of This Article:
http://www.seekic.com/circuit_diagram/Signal_Processing/CAVE_MAPPING_RECEIVER.html
Print this Page | Comments | Reading(3)
Code: