Published:2011/5/7 7:18:00 Author:Joyce | Keyword: CCD, Analog Output, Signal, Processing | From:SeekIC

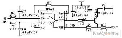
AD623 integrates three op-amps, and it can work with either single power supply or dual power supply.It has relatively high CMRR and extremely low voltage drift. Except a external resistance which is used tocontrol programmable gain, all the other components are integrated in the interior, so as to improve the circuit`s temperature stability and reliability. The analog signal processing circuit of CCD applying AD623 is as shown in the graph.It can send video signals and compensating output to the inverted and non-inverting input of AD623 respectively.Connecting a first-level emitter follower to the output end of AD623 is to enhance the drive ability of the signals . This device can eliminate temperature drift of output signals in circuits using ordinary op-amps and peripheral resistance .
Reprinted Url Of This Article:
http://www.seekic.com/circuit_diagram/Signal_Processing/CCD_Analog_Output_Signal_Processing_Circuit.html
Print this Page | Comments | Reading(3)
Code: