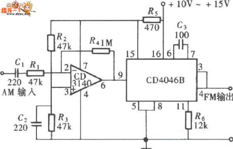
Published:2011/9/9 1:48:00 Author:Ecco | Keyword: FM signal generator | From:SeekIC

Reprinted Url Of This Article:
http://www.seekic.com/circuit_diagram/Signal_Processing/CD4046_FM_signal_generator_circuit_diagram.html
Print this Page | Comments | Reading(3)
Code: