Published:2009/6/17 3:08:00 Author:May | From:SeekIC

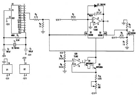
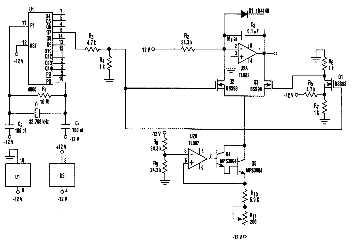
U2-a, C3 and R2 operate as an integrator. Q2 and Q3 are alternately switched at 256 cycles. U2-b, Q4, Q5, and R8 through R11 are a constant current generator, and R11 is set for a symmetrical triangular waveform.
Reprinted Url Of This Article:
http://www.seekic.com/circuit_diagram/Signal_Processing/CLOCK_DRIVEN_TRIANGLE_WAVE_GENERATOR.html
Print this Page | Comments | Reading(3)
Code: