Published:2009/7/24 2:06:00 Author:Jessie | From:SeekIC

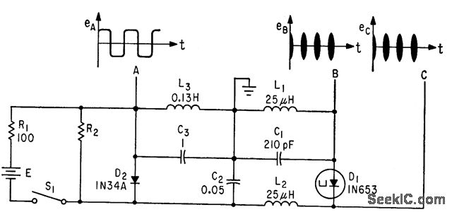
Used for checking am receivers. Generates r-f at 0.6 Mc, determined by L1-C1, and relaxation-type audio output of 400 cps at A.-W. H. Ko, Tunnel-Diode Oscillator Delivers R-F and Audio, Electronics, 35:41, p 56.
Reprinted Url Of This Article:
http://www.seekic.com/circuit_diagram/Signal_Processing/COMBINED_R_F_AND_A_F_OSCILLATOR.html
Print this Page | Comments | Reading(3)
Code: