Published:2009/7/15 2:44:00 Author:Jessie | From:SeekIC

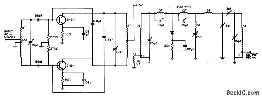
Transistor drive stage provides 10 db gain at 70% efficiency. Output power is 80 mw into 200 ohms. All coils are 1/2 inch diameter, using No.14 wire, unless otherwise specified.-R. C. Wonson, Designing VHF Varactor Multipliers, EEE, 11:12, p 48-52.
Reprinted Url Of This Article:
http://www.seekic.com/circuit_diagram/Signal_Processing/COMPLETE_40_MC_160_MC_QUADRUPLER.html
Print this Page | Comments | Reading(3)
Code: