Published:2011/5/20 2:52:00 Author:Felicity | Keyword: Car Windshield Wiper Controller (the 1st) | From:SeekIC

Work of the circuit
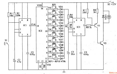
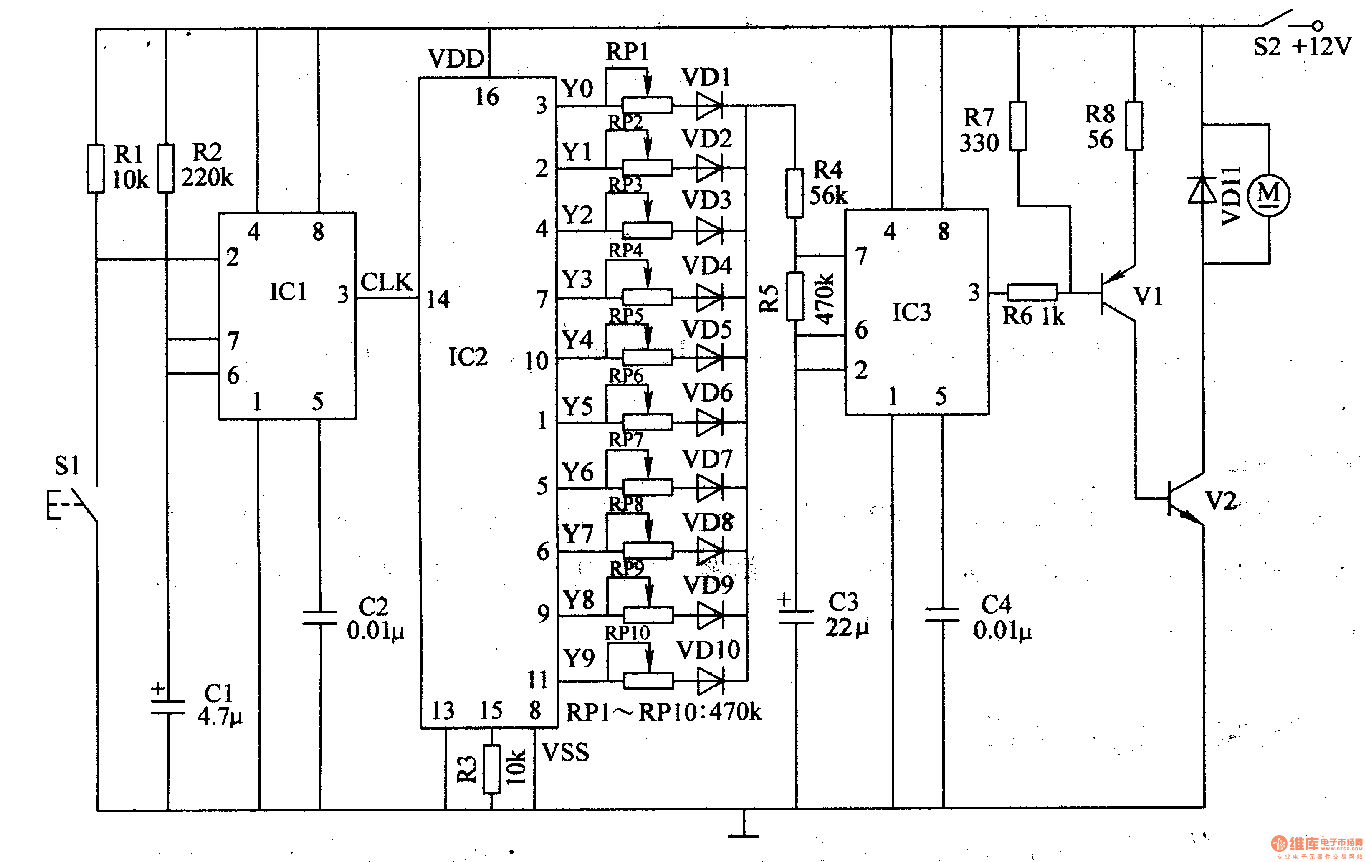
The circuit consists of One-shot trigger, Count divider, Multivibrator and motor driving circuit (It is showed in picture 7-163.).
Turn on power switch and +12V voltage supplies the working power. Press the button S1 for the first time windshield wiper motor turns over for 1s and then stops. Press the button for the second time the windshield wiper motor turns over for 2s and stops……Press the button for the tenth time the windshield wiper motor turns over for 10s and stops.
Reprinted Url Of This Article:
http://www.seekic.com/circuit_diagram/Signal_Processing/Car_Windshield_Wiper_Controller_the_1st.html
Print this Page | Comments | Reading(3)
Code: