Published:2011/5/20 2:54:00 Author:Felicity | Keyword: Car Windshield Wiper Controller (the 2nd) | From:SeekIC

Work of the circuit
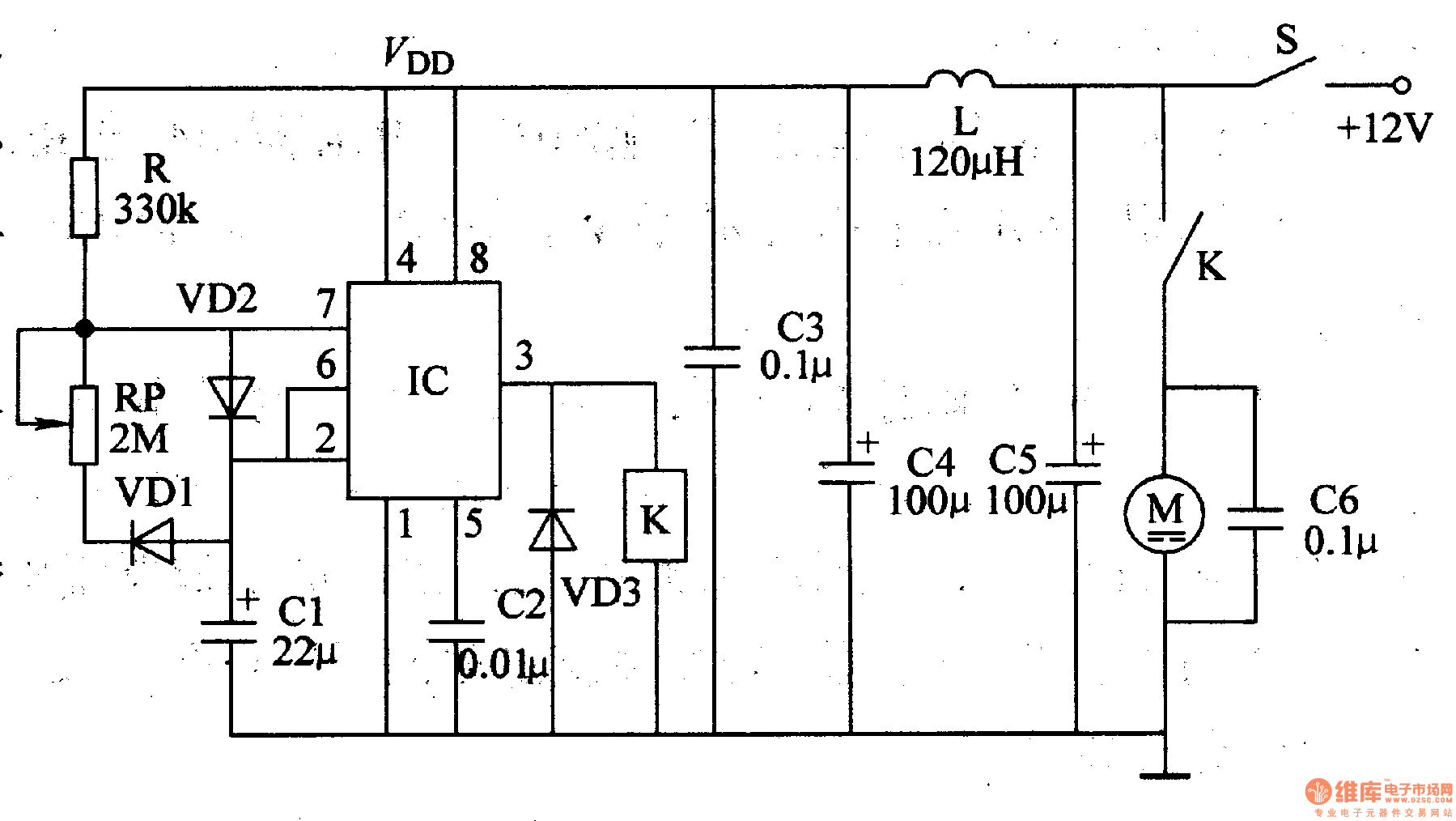
The circuit consists of Multivibrator, control circuit and filtering circuit (It is showed in picture 7-164.).
Turn on the switch S +12v voltage supplies IC with working power. When the Multivibrator is working the pulse signal is outputted from pin 3. When the signal is of high level the motor M starts to work. When the signal is of low level the motor stops working.
Reprinted Url Of This Article:
http://www.seekic.com/circuit_diagram/Signal_Processing/Car_Windshield_Wiper_Controller_the_2nd.html
Print this Page | Comments | Reading(3)
Code: