Published:2011/7/17 4:41:00 Author:Felicity | Keyword: Car Windshield Wiper Controller | From:SeekIC

Work of the circuit
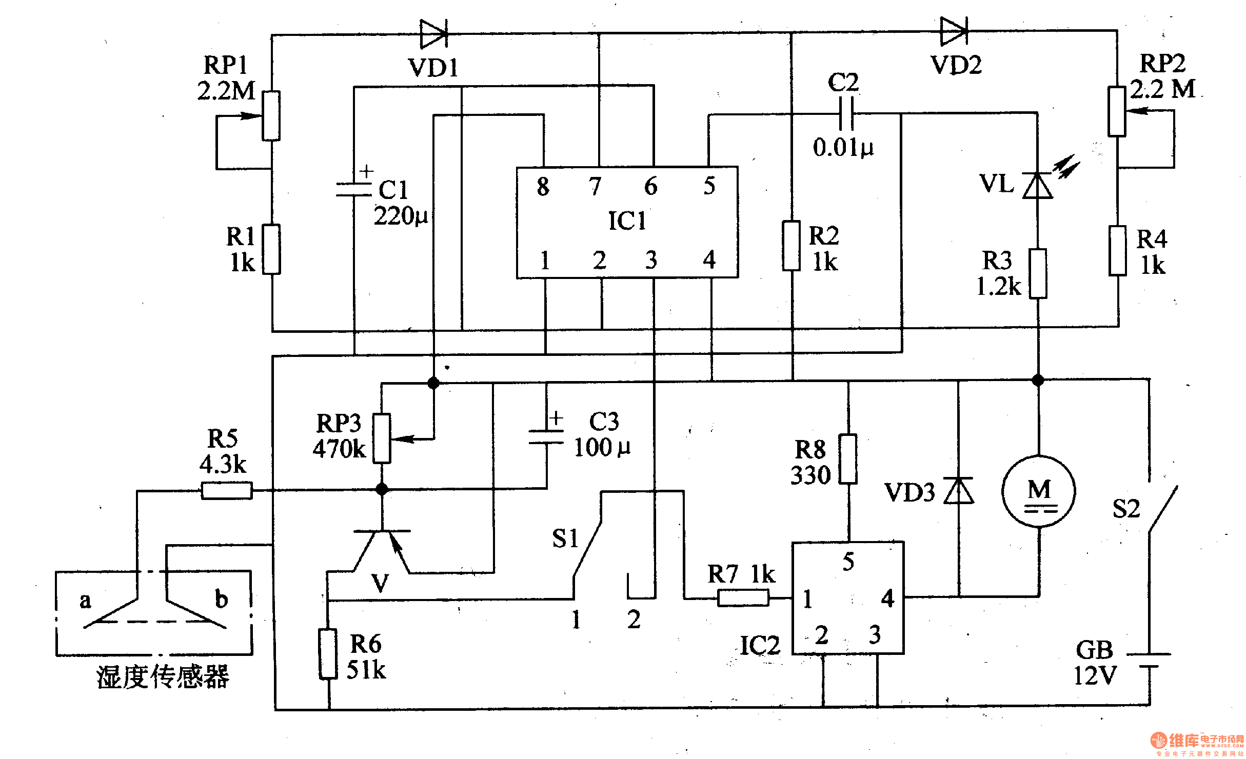
The circuit consists of humidity examining circuit, electric switch control circuit and Multivibrator (It is showed in the picture 7-166.).
Humidity examining circuit consists of humidity sensors, transistors v, resistors R5, R6, potentiometer RP3and capacitor C3.
Electric switch control circuit consists of electronic switch integrated circuit IC2, function switch Sl, resistors R7, R8 and diode VD3.
Multivibrator consists of time-base integrated circuit ICl, resistors Rl, R2, R4, potentiometer RPl, RP2, capacitor Cl, C2 and diode VDl, VD2.
When the switch is off the motor is out of work. When it is rainy the electric switch within IC2 is turned on and M starts to work. When the rain is over the electric switch within IC2 is turned off. And M stops working. S2 is the power switch so you should turn it off when the car is not moving.
Reprinted Url Of This Article:
http://www.seekic.com/circuit_diagram/Signal_Processing/Car_Windshield_Wiper_Controller_the_4th.html
Print this Page | Comments | Reading(3)
Code: