Published:2013/12/9 20:49:00 Author:lynne | Keyword: Citroen TU5JPK engine schematics, | From:SeekIC

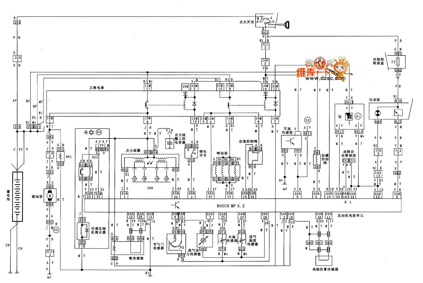
Citroen TU5JPK engine circuit diagram is shown below:
Reprinted Url Of This Article:
http://www.seekic.com/circuit_diagram/Signal_Processing/Citroen_TU5JPK_engine_schematics.html
Print this Page | Comments | Reading(3)
Code: