Published:2009/7/24 4:56:00 Author:Jessie | From:SeekIC

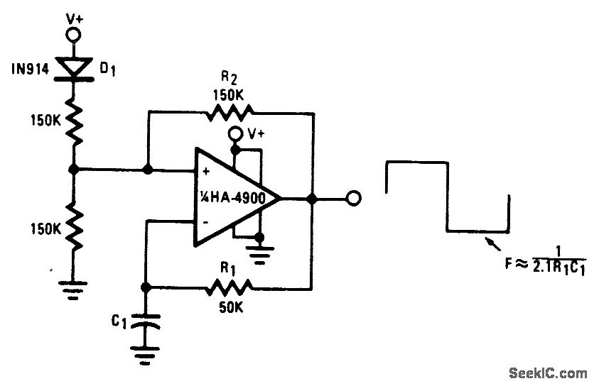
Fig, 15-36 This self-starting fixed-frequency oscillator gives excellent frequency stability. The frequency is determined by R1/C1, and R2 provides the regenerative feedback. D1 enhances the stability by compensating for the difference between VOH and VSUPPLY. In applications where a precision clock generator up to 100 kHz is required, such as in automatic test equipment, C1 can be replaced by a crystal. Figures 15-32B and 15-32C show the pin connections and electrical characteristics, respectively. Harris Semiconductor. Linear & Telecom ICs, 1991, p. 4-30.
Reprinted Url Of This Article:
http://www.seekic.com/circuit_diagram/Signal_Processing/Comparator_oscillator_clock_generator.html
Print this Page | Comments | Reading(3)
Code: