Published:2009/7/15 23:30:00 Author:Jessie | From:SeekIC

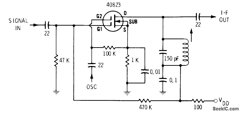
RF and oscillator signals are applied to gates G1 and G2 for mixing in MOSFET. Choice of sum or difference frequency is determined by values used in tank circuit and by tuned circuits of IF amplifier.-E.M. Noll,″ FET Principles, Experiments, and Projects,″ Howard W. Sams, Indianapolis, IN, 2nd Ed., 1975,p 141-142.
Reprinted Url Of This Article:
http://www.seekic.com/circuit_diagram/Signal_Processing/DUAL_GATE_MOSFET_MIXER.html
Print this Page | Comments | Reading(3)
Code: