Published:2011/7/17 1:04:00 Author:Felicity | Keyword: Dangerous Area Warning Device | From:SeekIC

Work of the circuit
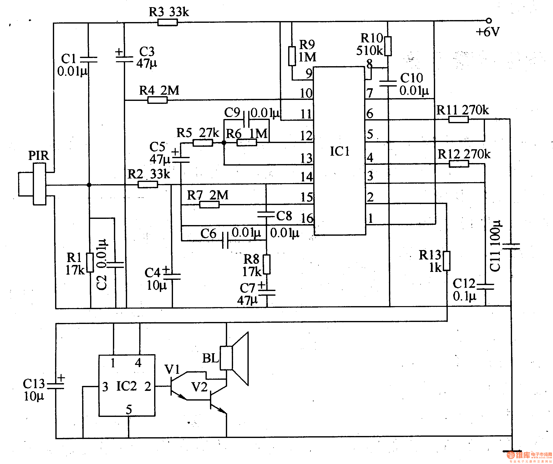
The circuit consists of pyroelectric infrared sensor (PIR), the signal processing circuit and the language reminding circuit.(It is showed in the picture 8-122.)
The signal processing circuit consists of pyroelectric infrared signal processing integrated circuit ICI , resistor M-Rl2 and capacitors C4-Cl2.
The language reminding circuit consists of voice IC IC2, transistors Vl and V2, resistor R13, capacitor C13 and the speaker BL.
When no one is in the warning area, the no signal is inputted at pin 14 of IC1. Its pin 2 is of low level. The language reminding circuit does not work.
Reprinted Url Of This Article:
http://www.seekic.com/circuit_diagram/Signal_Processing/Dangerous_Area_Warning_Device_the_2nd.html
Print this Page | Comments | Reading(3)
Code: