Published:2009/7/22 6:05:00 Author:Jessie | From:SeekIC

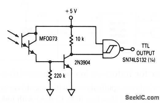
This circuit shows a Darlington photodetector (MFOD73) with a TTL output that operates at frequencies up to 1 kHz.
Reprinted Url Of This Article:
http://www.seekic.com/circuit_diagram/Signal_Processing/Darlington_photodetector_fiberoptic_recerver.html
Print this Page | Comments | Reading(3)
Code: