Published:2011/5/19 21:12:00 Author:Felicity | Keyword: Disinfectant Manufacturer (the 2nd), | From:SeekIC

Work of the circuit
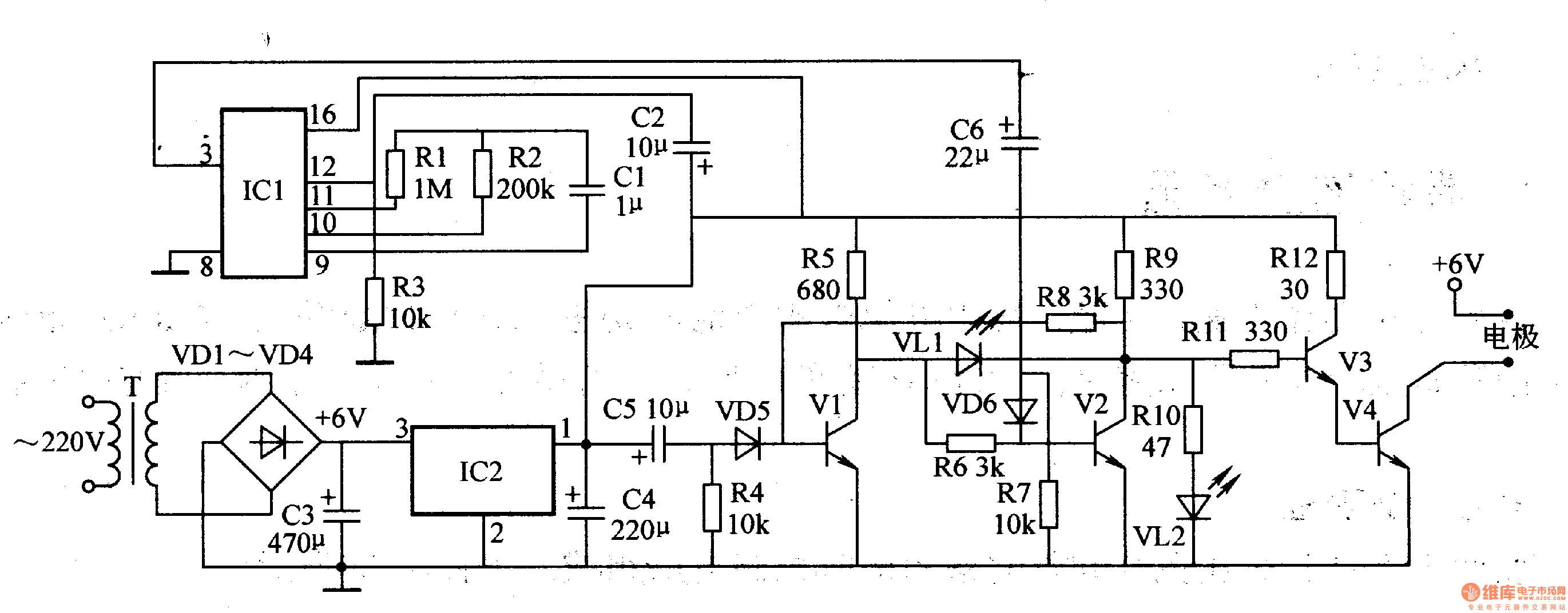
The disinfectant manufacturer circuit consists of power changing circuit, pilot light controlling circuit, electrode driving circuit and timer circuit. (Iit is showed in picture 9-93.).
Put 500ml salting liquor in the cup of Disinfectant Manufacturer and turn on the power. 220V AC voltage produced +6V voltage after being reduced rectified and filtered. The voltage separates into two parts. One of them supplies pole and its driving circuit while the other one supplies to timing circuit, pilot light controlling circuit and pole driving circuit. Here diode VLI starts to work which implies the beginning of work. When the timer has worked for about 60min diode VLI becomes dark which implies that the disinfectant has been done.
Reprinted Url Of This Article:
http://www.seekic.com/circuit_diagram/Signal_Processing/Disinfectant_Manufacturer_the_2nd.html
Print this Page | Comments | Reading(3)
Code: