Published:2011/5/19 21:11:00 Author:Felicity | Keyword: Disinfectant Manufacturer (the 3rd), | From:SeekIC

Work of the circuit
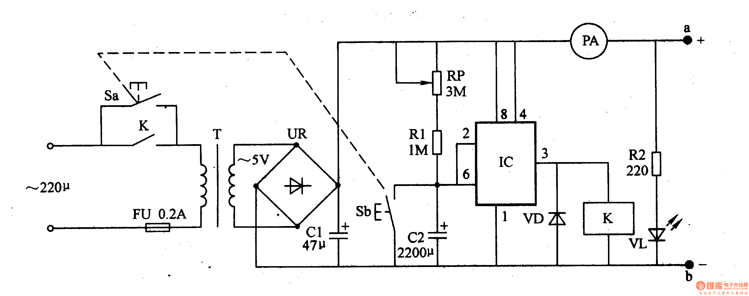
The disinfectant manufacturer circuit consists of power circuit, control circuit. (It is showed in picture 9-94.)
When you press button s 220V AC voltage will produce 5V DC voltage after being reduced, rectified and filtered by T, UR and CI. The voltage will separate into three parts. One is supplied to pole a, b and one lightens VL while another works as power of timing control circuit. If you increase the distance between pole a and pole b, the working current will decrease.
Reprinted Url Of This Article:
http://www.seekic.com/circuit_diagram/Signal_Processing/Disinfectant_Manufacturer_the_3rd.html
Print this Page | Comments | Reading(3)
Code: