Published:2011/5/19 21:13:00 Author:Felicity | Keyword: Disinfectant Manufacturer (the 4th), | From:SeekIC

Work of the circuit
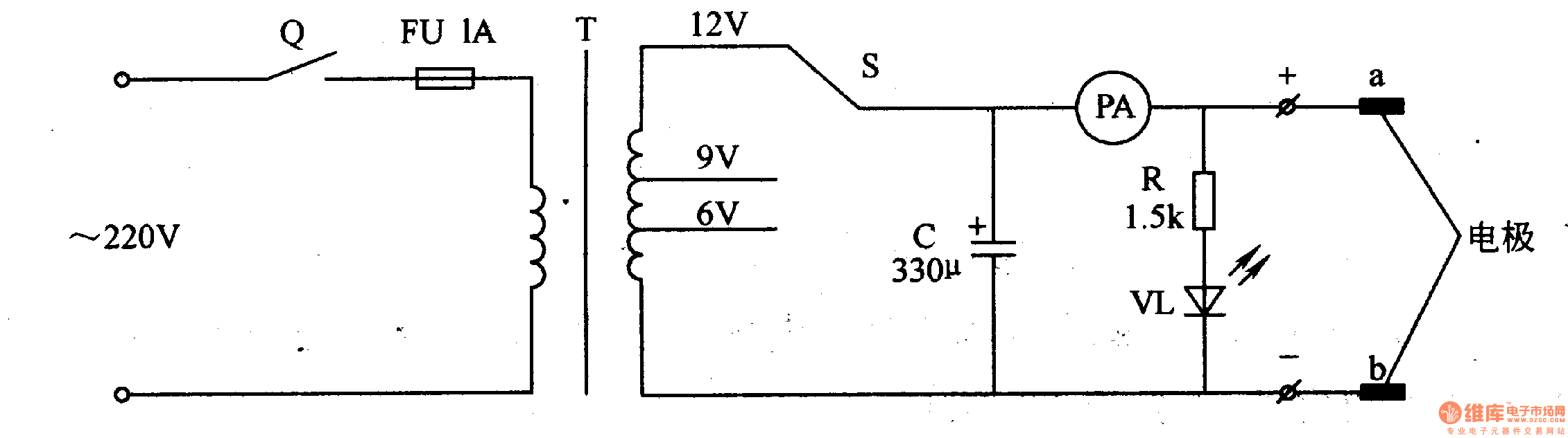
The Disinfectant Manufacturer Circuit consists of timer Q, fuse box FU, voltage transit switch S, mains transformer T, filtering fuse box C, ammeter PA, electrical resistor R, diode VL and pole a, b. (It is showed in picture 9-95)
When we use it we should put pole a, b in a container which has salt solution in it and turn on timer Q. 220V AC voltage is separated into two parts after being reduced and filtered by T and C. one is supplied to pole a, b while the other one lightens VL.
When the regular time is over Q is turned off. And it willcut off the power. Then the disinfectant is manufactured.
Reprinted Url Of This Article:
http://www.seekic.com/circuit_diagram/Signal_Processing/Disinfectant_Manufacturer_the_4th.html
Print this Page | Comments | Reading(3)
Code: