Published:2011/5/27 7:08:00 Author:John | Keyword: rice cooker, porridge device | From:SeekIC

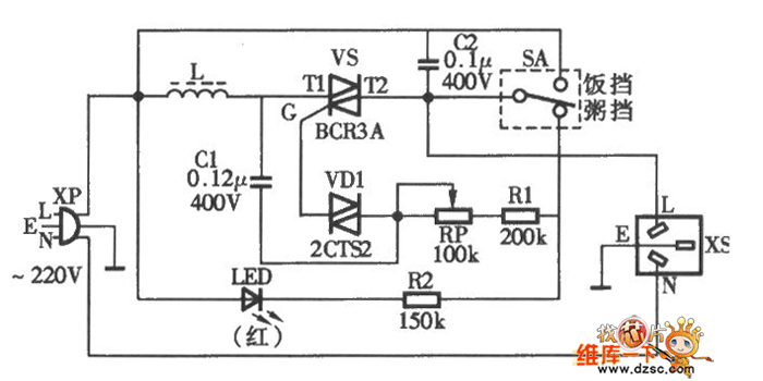
Rice cooker and porridge device circuit is shown below.
Reprinted Url Of This Article:
http://www.seekic.com/circuit_diagram/Signal_Processing/Dong_Fang_rice_cooker_and_porridge_device_circuit.html
Print this Page | Comments | Reading(3)
Code: