Published:2009/7/16 4:19:00 Author:Jessie | From:SeekIC

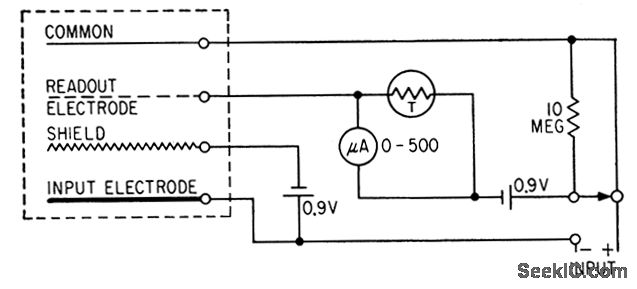
Use of solion diode eliminates need for sensitive electrometer. Integral may be read continuously while integration is taking place, without affecting its value. Varistor is used in parallel with meter to compensate for temperature changes.-R. N. Lane and D. B. Cameron, Current Integration with Solion Liquid Diodes, Electronics, 32:9, p 53-55.
Reprinted Url Of This Article:
http://www.seekic.com/circuit_diagram/Signal_Processing/ELECTRICAL_READOUT_INTEGRATOR.html
Print this Page | Comments | Reading(3)
Code: