Published:2011/7/16 0:38:00 Author:Felicity | Keyword: Electrical Pulse, Therapeutic Apparatus | From:SeekIC

Work of the circuit
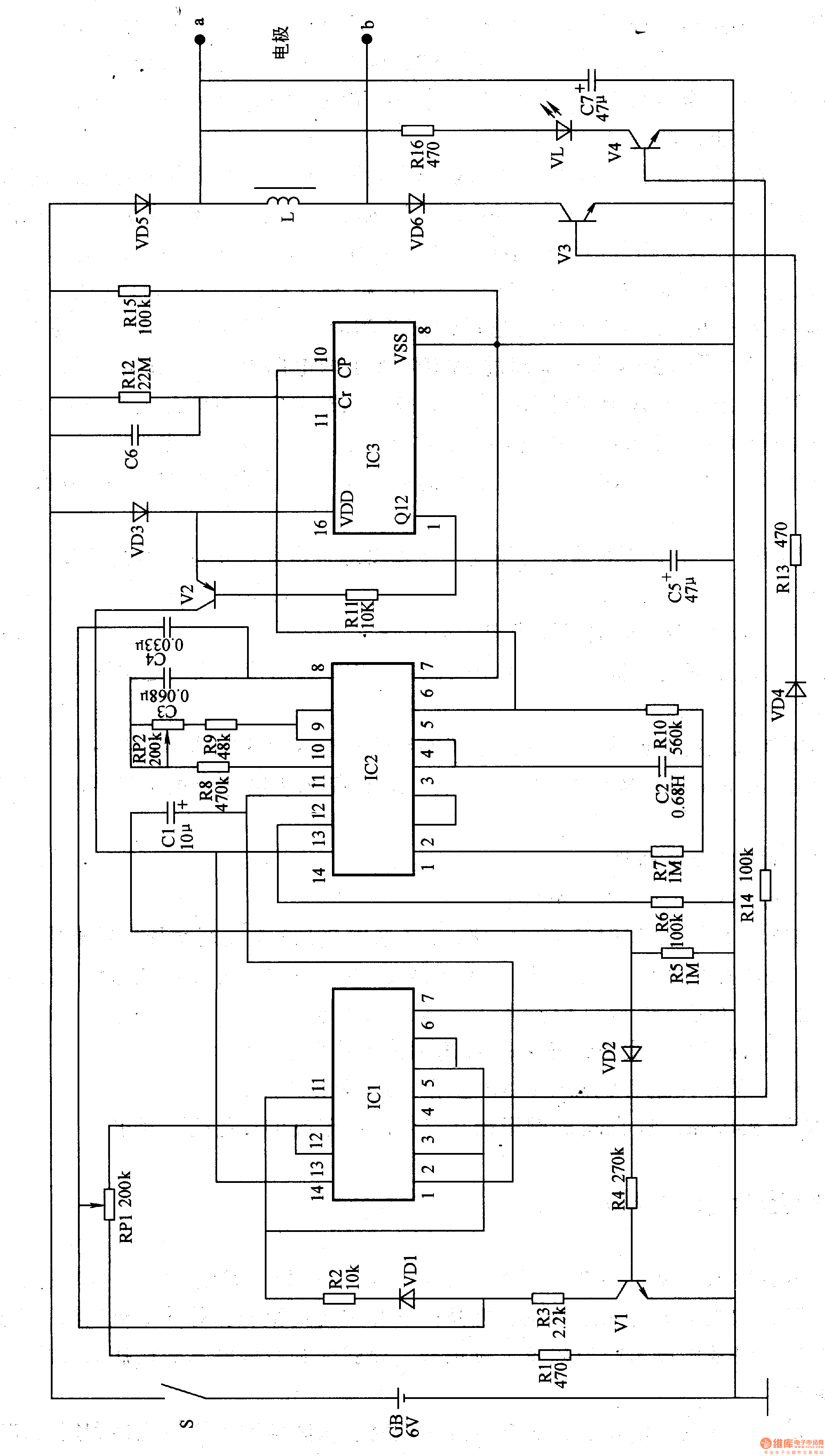
The circuit consists of self-excited oscillator, power-delay circuit, low frequency pulse voltage generator and timing control circuit. (It is showed in the picture 9-5.)
Self-excited oscillator consists of IC lC2 pin 8-11 internal circuit and the resistors R8, R9, potentiometer RP2, capacitor C3.
Power-delay circuit consists of IC2 pin 12 and 13 internal circuit and the capacitor Cl, resistors full-R6, transistor Vl, diodes VDl, VD2.
Low frequency pulse voltage generator consists of IC lC1, non-gate integrated circuits IC2, transistor V3, V4, diode VD4-VD6, inductor L, resistor R13-R16, potentiometer RPl, light-emitting diodes and capacitors C7 VL.
Timing control circuit consists of counter integrated circuit IC3, 1C2 1-6 feet in circuit, transistor V2, resistors R7, RlO-Rl2, capacitor C2, C5, C6, and diode VD3.
Reprinted Url Of This Article:
http://www.seekic.com/circuit_diagram/Signal_Processing/Electrical_Pulse_Therapeutic_Apparatus_the_5th.html
Print this Page | Comments | Reading(3)
Code: