Published:2011/7/16 0:38:00 Author:Felicity | Keyword: Electrical Pulse, Therapeutic Apparatus | From:SeekIC

Work of the circuit
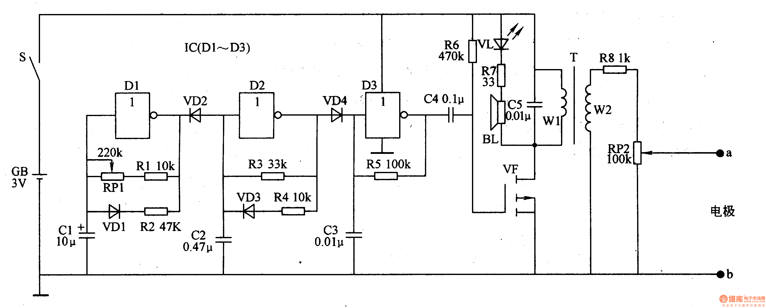
The circuit consists of oscillator A-C and pulse voltage generating circuit. (It is showed in the picture 9-6.)
Oscillator A consists of NAND gate IC IC (Dl-D3) within the non-door Dl, resistor RI, R2, diode VDl, capacitors Cl and potentiometer RPl.
Oscillator B consists of C-NOT gate within the D2, resistor R3, R4, capacitor C2 and diode VD4.
Oscillator C consists of lC internal NAND gate D3, resistor R5 and capacitor C3.
Pulse voltage generating circuit consists of Capacitors C4, C5, resistors R6-R8, light-emitting diode VL, field effect transistors VF, the pulse transformer T, potentiometers RP2 and electrodes a, b.
Reprinted Url Of This Article:
http://www.seekic.com/circuit_diagram/Signal_Processing/Electrical_Pulse_Therapeutic_Apparatus_the_6th.html
Print this Page | Comments | Reading(3)
Code: