Published:2011/7/7 9:45:00 Author:Felicity | Keyword: Electrical Pulse Therapeutic Apparatus, the 8th | From:SeekIC

Work of the circuit
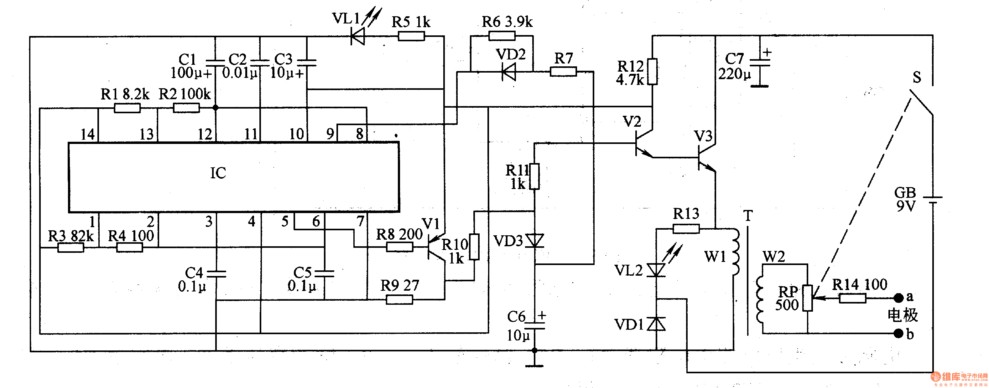
The circuit consists of power supply circuit, self-excited oscillator and electrical pulse generator circuit. (It is showed in the picture 9-8.)
Self-excited oscillator consists of Dual time-base integrated circuit IC, resistors Rl-R4 and capacitors Cl-C5.
Electrical pulse generator circuit consists of transistor Vl-V3, resistors R6-R14, capacitor C6, diode VDl-VD3, light-emitting diode VL2, pulse transformer T, potentiometer RP and electrodes a, b.
Change the value of RP to change the Electrical pulse’s stimulus intensity.
Reprinted Url Of This Article:
http://www.seekic.com/circuit_diagram/Signal_Processing/Electrical_Pulse_Therapeutic_Apparatus_the_8th.html
Print this Page | Comments | Reading(3)
Code: