Published:2011/6/6 8:14:00 Author:Felicity | Keyword: Electronic Pain Relieving Instrument (the 2nd) | From:SeekIC

Work of the circuit
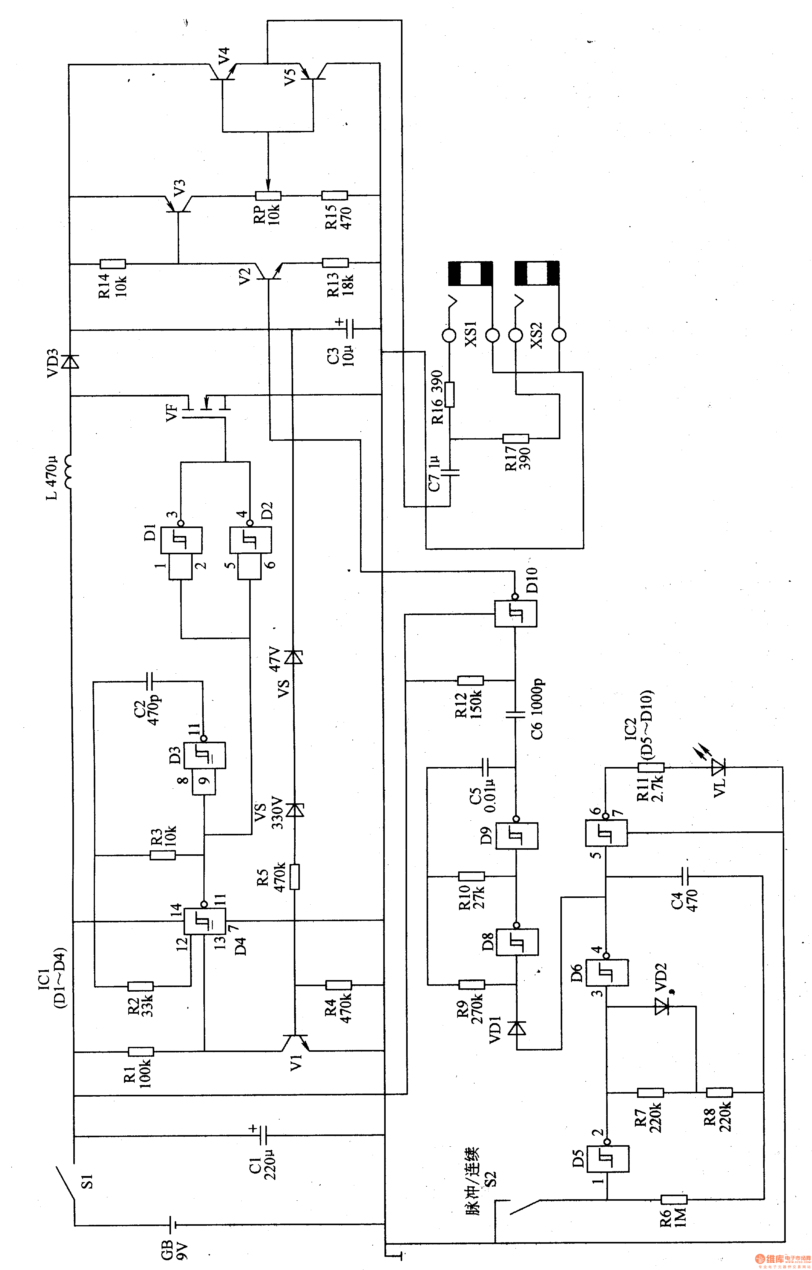
The circuit consists of high voltage making circuit, pulse making circuit and outputting circuit. (It is showed in picture 9-32.)
When S2 is turned on, the Electronic Pain Relieving Instrument works continuously. The 2Hz OSC does not work at all. The OSC outputs pulse continuously. And its working rate is about 10Hz. When you turn off S2 the Electronic Pain Relieving Instrument works intermittently. The OSC outputs pulse intermittently. Its working rate changes between 50Hz and 270Hz.
The pulse signal is amplified by V2-V5. The 2 poles on the outer side have pulse currency of low frequency. The pulse currency of low frequency stimulates the subcutaneous nurse and relieves pain.
Reprinted Url Of This Article:
http://www.seekic.com/circuit_diagram/Signal_Processing/Electronic_Pain_Relieving_Instrument_the_2nd.html
Print this Page | Comments | Reading(3)
Code: