Published:2011/6/6 8:15:00 Author:Felicity | Keyword: Electronic Pain Relieving Instrument (the 3rd) | From:SeekIC

Work of the circuit
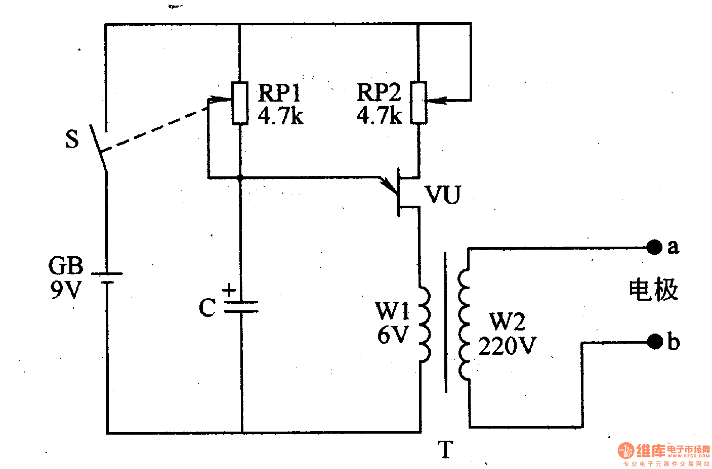
The circuit consists of potentiometer RG1 RG2, capacitor C, power switch S and pole A B. (It is showed in picture 9-33.)
Turn on switch S and the OSC starts working. The high voltage pulse is produced on the two ends of W2. The high voltage pulse is put on the pain area of the body by the poles. It can relieve the pain by stimulating the relevant acupoint or pain area.
Change the value of RG1 to change the frequency of OSC.
Change the value of RG2 to change the pulse voltage.
Reprinted Url Of This Article:
http://www.seekic.com/circuit_diagram/Signal_Processing/Electronic_Pain_Relieving_Instrument_the_3rd.html
Print this Page | Comments | Reading(3)
Code: