Published:2011/5/19 8:23:00 Author:Felicity | Keyword: Electronic Sterilizer (the 2nd), | From:SeekIC

Work of the circuit
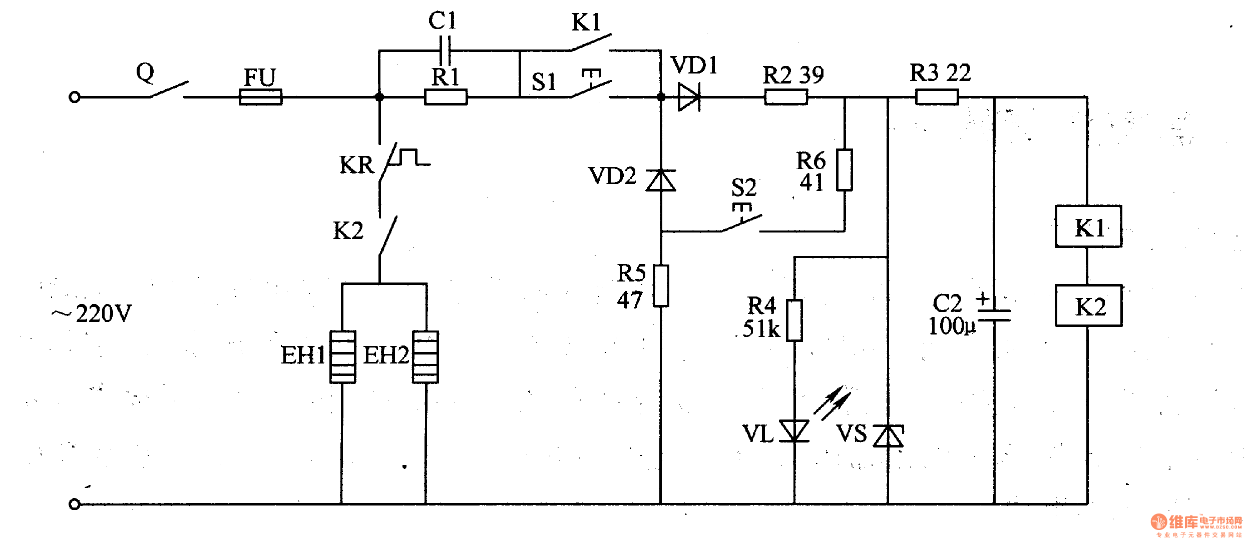
The electronic sterilizer circuit consists of power circuit, control circuit and heating circuit. (It is showed in picture 9-97).Turn on Q’s control derail and press button SI. 220V AC voltage is bucked, rectified, limited and stabilized by CI, VDI, R2, VS. Then the voltage separates into two parts. One lightens VL after being bucked and limited by R4 while the other one supplies the working voltage to K1 and K2 after being bucked and limited by R3 and filtered by C2.
Reprinted Url Of This Article:
http://www.seekic.com/circuit_diagram/Signal_Processing/Electronic_Sterilizer_the_2nd.html
Print this Page | Comments | Reading(3)
Code: